Van bướm điều khiển khí nén (tên tiếng Anh: Pneumatic Actuated Butterfly Valve) là loại van bướm sử dụng bộ truyền động khí nén để thực hiện thao tác đóng mở hoặc điều tiết lưu lượng dòng chảy. Cơ chế vận hành của van dựa trên việc sử dụng áp suất khí nén để quay trục van, làm thay đổi vị trí của cánh bướm. Van thường được sử dụng trong các hệ thống tự động hóa nhờ khả năng điều khiển linh hoạt và dễ dàng tích hợp với các thiết bị khác như bộ điều khiển, cảm biến hoặc PLC.

Ưu điểm.
Van bướm điều khiển khí nén được ứng dụng rộng rãi trong nhiều ngành công nghiệp, bao gồm.
Ngành cấp thoát nước.
-Van được sử dụng trong hệ thống xử lý nước sạch, nước thải nhờ khả năng kiểm soát lưu lượng nước chính xác và bền bỉ trong môi trường ẩm ướt.
Ngành dầu khí.
-Trong các đường ống dẫn dầu, khí tự nhiên hoặc hóa chất, van bướm điều khiển khí nén giúp điều tiết lưu lượng và bảo vệ hệ thống khỏi áp suất cao.
Ngành thực phẩm và đồ uống.
-Van sử dụng trong các nhà máy sản xuất thực phẩm, nước giải khát, nhờ khả năng đảm bảo vệ sinh và vận hành an toàn.
Ngành hóa chất.
-Với khả năng chống ăn mòn, van bướm điều khiển khí nén được sử dụng trong các nhà máy hóa chất để xử lý axit, kiềm hoặc các chất ăn mòn mạnh.
Ngành năng lượng.
-Van bướm điều khiển khí nén đóng vai trò quan trọng trong các nhà máy điện, hệ thống năng lượng mặt trời, và năng lượng gió.
Cấu tạo của van bướm điều khiển khí nén.
Van bướm điều khiển khí nén được cấu tạo bởi hai thành phần chính:
Thân van bướm.
-Thân van bướm là phần chịu trách nhiệm điều chỉnh lưu lượng chất lỏng hoặc khí trong đường ống. Nó bao gồm:
- -Đĩa van (cánh bướm): Là bộ phận chính dùng để đóng/mở và điều chỉnh dòng chảy.
- -Thân van: Thường được làm từ các vật liệu bền như gang, inox hoặc nhựa để chịu được áp lực và nhiệt độ cao.
- -Gioăng làm kín: Đảm bảo khả năng chống rò rỉ khi van hoạt động.
Bộ truyền động khí nén.
Bộ truyền động khí nén là phần sử dụng áp suất khí để thực hiện thao tác đóng/mở cánh bướm. Bộ truyền động bao gồm:
- -Xi lanh khí nén: Chuyển đổi áp lực khí thành chuyển động cơ học.
- -Cơ cấu truyền động: Trục và các bánh răng kết nối giữa xi lanh và đĩa van.
- -Van điện từ (Solenoid Valve): Điều khiển luồng khí vào/ra bộ truyền động.
>>>>>>>>>>>>>> Xem ngay VAN BƯỚM ĐIỀU KHIỂN ĐIỆN tốt nhất hiện nay !!!
Nguyên lý hoạt động.
Nguyên lý hoạt động của van bướm điều khiển khí nén dựa trên sự thay đổi áp suất khí nén:
-
-Khi cấp khí nén vào bộ truyền động: Áp suất khí nén tác động lên xi lanh, tạo ra chuyển động quay của trục van, làm đĩa van mở hoàn toàn hoặc điều chỉnh theo mức độ mong muốn.
-
-
-Khi ngừng cấp khí nén: Lò xo bên trong bộ truyền động (nếu là loại tác động đơn) hoặc luồng khí đối nghịch (nếu là loại tác động kép) sẽ đưa đĩa van về vị trí ban đầu (đóng hoặc mở hoàn toàn).
Ứng dụng của van bướm điều khiển bằng khí nén.
-Van bướm điều khiển khí nén được ứng dụng rộng rãi trong nhiều ngành công nghiệp, bao gồm:
Ngành cấp thoát nước.
-Van được sử dụng trong hệ thống xử lý nước sạch, nước thải nhờ khả năng kiểm soát lưu lượng nước chính xác và bền bỉ trong môi trường ẩm ướt.
Ngành dầu khí.
-Trong các đường ống dẫn dầu, khí tự nhiên hoặc hóa chất, van bướm điều khiển khí nén giúp điều tiết lưu lượng và bảo vệ hệ thống khỏi áp suất cao.
Ngành thực phẩm và đồ uống.
-Van sử dụng trong các nhà máy sản xuất thực phẩm, nước giải khát, nhờ khả năng đảm bảo vệ sinh và vận hành an toàn.
Ngành hóa chất.
-Với khả năng chống ăn mòn, van bướm điều khiển khí nén được sử dụng trong các nhà máy hóa chất để xử lý axit, kiềm hoặc các chất ăn mòn mạnh.
Ngành năng lượng.
-Van bướm điều khiển khí nén đóng vai trò quan trọng trong các nhà máy điện, hệ thống năng lượng mặt trời, và năng lượng gió.
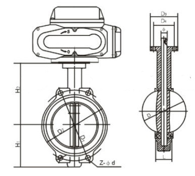
Thông số kỹ thuật của van bướm điều khiển khí nén.

>>>>>>>>>>>>>>>>>>> Xem thêm VAN BƯỚM TÍN HIỆU ĐIỆN giá rẻ !!!
-Thân van: Gang, Thép, Inox, hợp kim nhôm
-Chất liệu động cơ: Hợp kim nhôm
-Tiêu chuẩn chống nước: IP67
-Giăng và vòng làm kín: Cao su(EPDM(, FPM (Viton), Teflon (PTFE)
-Trục van bướm: SUS304, 316
-Dải sản phẩm: 2”DN50 – 24”DN600
-Tiêu chuẩn: ANSI, JIS, DIN, BS
-Áp suất khí điều khiển: 3 – 8 bar.
-Áp suất làm việc Max: PN16 Bar.
-Xuất xứ: Đài Loan, Hàn Quốc.
Chế độ mua van bướm điều khiển khí nén giá rẻ tại eriko.
-Hàng nhập khẩu chính hãng.
-Sản phẩm đa dạng với nhiều kích thước khác nhau.
-Độ bền sản phẩm cao.
-Có giấy tờ kiểm định CO-CQ đem lại niềm tin nơi khách hàng.
-Hàng luôn có sẵn với số lượng lớn.
-1 đổi 1 trong vòng 7 ngày nếu lỗi do nhà sản xuất, bảo hành 12 tháng.
-Miễn phí giao hàng nội thành Hà Nội, Hồ Chí Minh, hỗ trợ gửi hàng ra chành xe giao toàn quốc.
-Tư vấn 24/24h,hỗ trợ lắp đặt tại chân công trình.
-Hỗ trợ giao hàng toàn quốc, cam kết đúng thời gian khách hàng đặt mua.
Tham khảo thêm các loại van công nghiệp khác